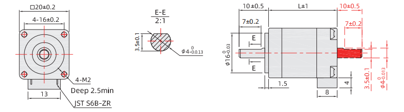
出軸方式:提供單扁、雙扁、鍵槽、滾齒等多種出軸方式;
引線方式:根據不同的應用需求,提供定制化的繞線及出線方式;
配件選擇:提供步進電機的多種配件,如編碼器,行星減速機,斷電剎車;
使用時注意公差配合,電機與驅動器連接時,請勿接錯相;



15817488109
步進電機不是恒轉矩電機,運行轉速越高輸出轉矩會越小,所以關注電機保持轉矩參數的同時更應當關注在實際,工作轉速下電機的輸出轉矩(可參考動態力矩曲線圖);并且我們建議預留1.5倍的余量,以免出現過載情況下步進電機丟步的現象。
型號 | 保持力矩 (N.m) | 額定電流 (A) | 轉動慣量 (g.cm2) | 機身長 (mm) | 推薦驅動器 |
SM0801-[2] | 0.016 | 0.6 | 1.6 | ≤28.0 | S-224D 12-48VDC |
SM0803-[2] | 0.032 | 0.8 | 2.9 | ≤42.0 | |
SM0804-[2] | 0.038 | 0.5 | 3.1 | ≤47.0 |
1、型號中的[2]:2為雙出軸;單出軸省略。
2、以上列表的“推薦驅動器”為脈沖型步進電機驅動器,還可以為客戶提供:總線型步進驅動器(RS485、CANopen、EtherCAT等通訊控制);智能型步進驅動器(電位器調速、內置PLC編程等功能)。
注意事項:
1.務必用電機前端蓋的安裝凸臺定位,并注意公差配合,嚴格保證電機輸出軸與負載的同心度。
2.為減少電機振動產生的噪音,務必將電機牢牢地固定在強韌的金屬面上。
3.步進電機與驅動器連接時,請勿接錯相。




下一款產品:28mm二相開環步進電機