1、絲桿直線往復運動;
2、最大推力2400N;
3、簡化結構設計,降低結構成本;
4、機身長度、絲桿長度、導程可根據客戶要求定制;
5、應用于醫療設備、半導體設備、閥門控制、X-Y工作臺、手持式儀器或任何需要精確直線運動的地方。
15817488109
命名規則:
34N7660M1-X-□□□
規格 | 說明 |
34 | 電機外徑:86mm |
N | 電機類型:貫穿式 |
76 | 機身長度:76mm |
60 | 額定電流:6.0A |
M1 | 絲桿代碼 |
X | 配件代碼:E1(1000線編碼器)、E2(2000線編碼器)、 B(剎車)、C(一體式) |
□ | 絲桿長度:□mm |
□□□ | 絲桿端部加工定制表:G光軸、A一字槽、M內螺紋 |
電機參數:
產品型號 | 電壓 | 額定 電流 | 保持 力矩 | 機身長 | 推薦 驅動器 |
34N7660M1-X-□□□ | 3V | 6A | 4N.m | 76mm | 脈沖型S-266D/ ASA872R |
34N11480M1-X-□□□ | 4.8V | 6A | 8N.m | 114mm |
漢德保電機可根據客戶要求定制:繞線參數、出線方式。
漢德保其他類型驅動器有:功能型(開關型、模擬量型)、總線型(RS485、CANopen、EtherCAT等)
絲桿參數:
產品型號 | 絲桿直徑(mm) | 導程(mm) | 步長(mm) | 斷電自鎖力(N) |
M1 | 15.875 | 2.54 | 0.0127 | 2000 |
M2 | 3.175 | 0.015875 | 1500 | |
M4 | 6.35 | 0.03175 | 200 | |
M5 | 12.7 | 0.0635 | 50 | |
M6 | 25.4 | 0.127 | 20 |
請注意:其他絲桿直徑、導程可根據客戶要求定制。

請注意:
1、絲桿端頭可根據客戶要求加工;
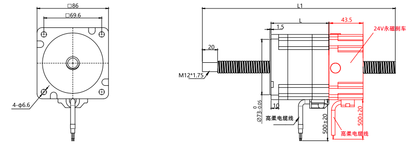
2、電機可選配剎車和編碼器;
3、絲桿長度可定制。
安裝方法:
1、請盡量考慮散熱線、防止振動的問題,將電機牢牢地固定在強韌的金屬面上。
2、務必用電機前端蓋的安裝凸臺定位,并注意公差配合,嚴格保證電機輸出軸與負載的同心度。

以上曲線是用S-266D/ASA872R雙極性恒流斬波步進驅動器,在24VDC條件下進行測試的。不同測試條件與運行工況將導致性能有所差異,合理的加減速將有助于提高電機性能,此處僅作參考,為確保使用壽命和可靠性,建議選用產品時留有50%以上余量。
上一款產品:86mm外部驅動式直線絲桿滾珠閉環步進電機
下一款產品:86mm貫穿式直線絲桿滾珠步進電機